КОТЕЛЬНОЕ ХОЗЯЙСТВО

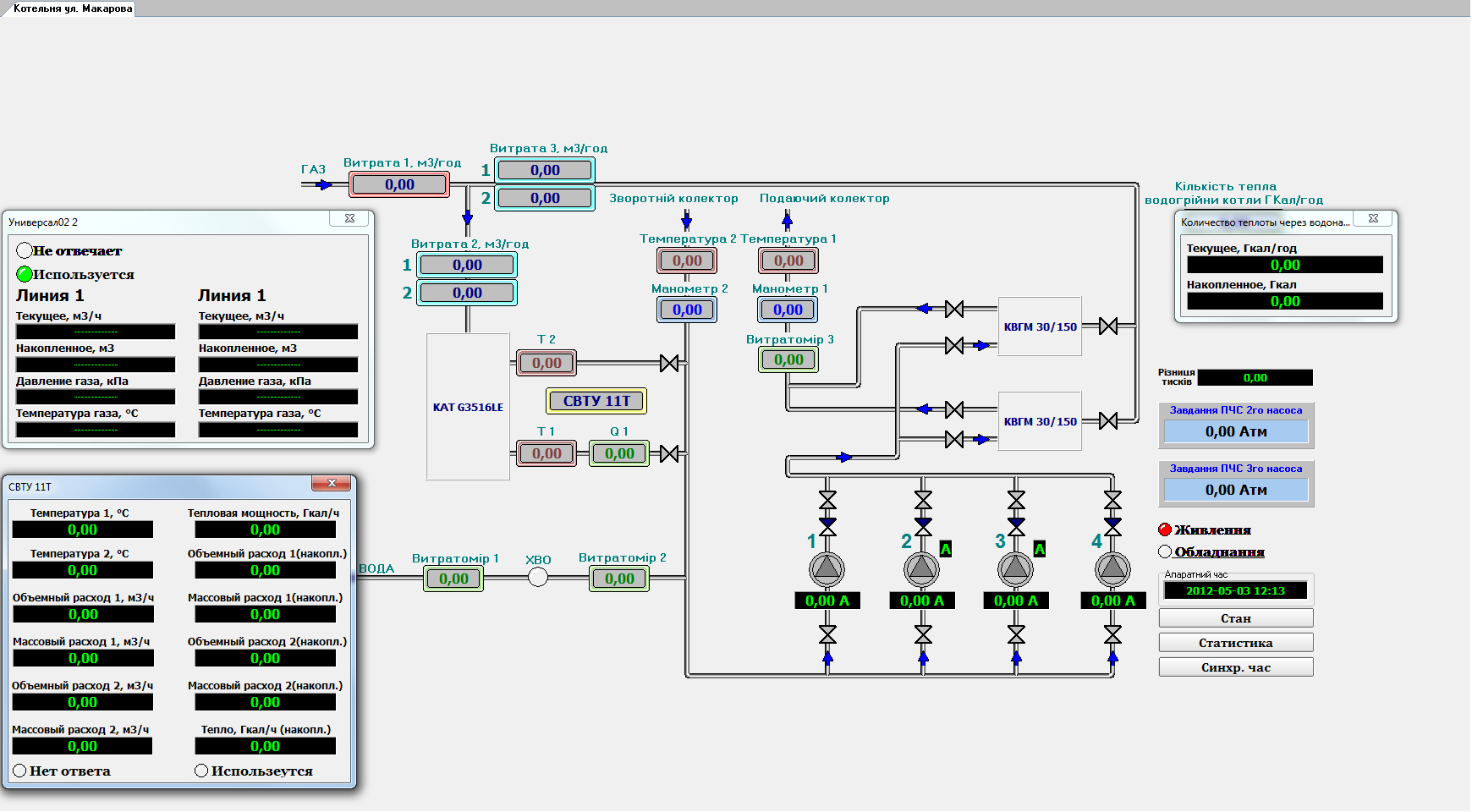
Контролируемые параметры:
- Давление теплоносителя подача/обратка на город;
- Давление теплоносителя подача/обратка отопления;
- Давление ГВС подача/обратка;
- Давление холодной воды.
- Температура теплоносителя подача/обратка на город;
- Температура теплоносителя подача/обратка отопления;
- Температура ГВС подача/обратка;
- Температура холодной воды.
- Состояние(режим, работа, аварии), нагрузка(ток) сктевых насосов;
- Состояние(режим, работа, аварии), нагрузка(ток) рецеркуляционный насосо;
- Состояние(режим, работа, аварии), нагрузка(ток) подпиточный насосов;
- Состояние(режим, работа, аварии), нагрузка(ток) насосов сырой воды;
- Состояние(режим, работа, аварии), нагрузка(ток) насосов ГВС;
- Состояние(режим, работа, аварии), нагрузка(ток) насосов отопления;
- Состояние котлов
- Состояние приборов защиты от загазованности
- Контроль наличие напряжения на объекте, несанкционированного доступа на объект, затопление объекта;
- Параметры счетчиков газа
- Параметры теплосчетчиков
- Параметры теплорегуляторов:
Мониторинг и оповещение:
- Передача технологических параметров по различным каналам связи в режиме реального и псевдореального времени;
- Удобная система отображения и управления
- Оперативное оповещение персонала о всех нештатных ситуация на объектк(аварийные отключения, выход технологических параметров за рабочие характеристики).
- Полное протоколирование всех нештатных ситуация и действий оператора;
- Ведение архивов по технологическим параметрам объекта
- Гибкая система отчетов.
