СООРУЖЕНИЯ ВТОРОГО ПОДЪЕМА
Щиты автоматики и управления:
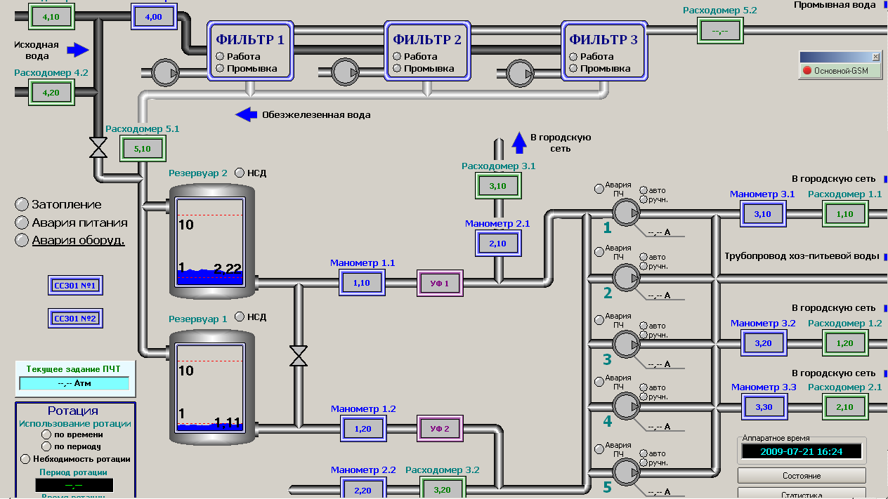
- РУЧНОЙ – управление осуществляется при помощи сенсорной панели, с мнемосхемой станции обезжелезивания, расположенной на лицевой панели щита, а также ручных постов управления, расположенных в непосредственной близости от узлов системы (фильтр, насос, задвижка, компрессор, и т.д)
- АВТОМАТИЧЕСКИЙ – управление производиться автоматически по технологическому алгоритму, установленному технологом. Доступ в данном режиме ограничен паролем.
В автоматическом режиме система обеспечивает выполнение следующих управляющих режимов:
- Фильтрация
- Барботаж
- Обратная промывка
- Прямая промывка
Функции щита управления станцией обезжелезивания:
- оперативный централизованный контроль в режиме реального времени
- оперативное и оптимальное управление станцией обезжелезивания
- статистический учет и хранение данных на SD-карту
- визуальное отображение технологических параметров
- подключение к комплексным системам АСУТП по средствам протокола Modbus.

СООРУЖЕНИЯМИ ПОВТОРНОГО ИСПОЛЬЗОВАНИЯ ВОДЫ (СПИВ)

НАСОСНАЯ СТАНЦИЯ ВТОРОГО ПОДЪЕМА

